磷渣粉磨技術要求及?立磨磷渣粉工藝流程

立磨磷渣粉
磷渣的主要成分是氧化鈣和二氧化硅,具有很好的活性,廣泛用于建材行業。近年來、磷渣微粉在商品混泥土中也得到廣泛的使用。市場前景較好,有良好的社會效益和經濟效益。立磨磷渣粉是目前應用廣泛的磷渣粉磨工藝,系統投資和運行維護費用較低,系統可靠性高,系統的粉磨電耗低,而粉磨產品的顆粒形狀優于輥壓機終粉磨系統生產的產品,因此在相同的比表面積下,其產品性能較好。作為磷渣立磨廠家,今天桂林鴻程為您介紹一下磷渣粉磨技術要求及立磨磷渣粉工藝流程。
有一種磷渣復合微細粉體摻加料及其生產工藝,其配方是:磷渣9 3. 8 5-9 7.8 0%,三乙醇胺0.0 2-0. 1 5%,石膏2-6 %;比表面積400~420m'/Kg。流程:將磷渣進行一次粉磨時加入石膏,經分選,在二次粉磨時加入三乙醇胺。其中,磷渣粉磨技術要求如下圖:

立磨最初是用來粉磨煤粉,其規格也較小, 20世紀70年代后期開始應用于粉磨水泥生料,規格也越來越大,20世紀80年代中期以來,隨著立磨的不斷改進和新型耐磨材料的研究發展,立磨粉磨水泥熟料取得了成功,與其它粉磨系統相比,立磨磷渣粉工藝具有集烘干、粉磨、選粉于一體,系統簡單,單機產量高的優點,對于粉磨高水分的物料可以不單設烘干設備,因而系統投資和運行維護費用較低.系統可靠性高,系統的粉磨電耗低,粉磨420m/kg比表面積礦渣粉的單位電耗約為45kWh/t左右。

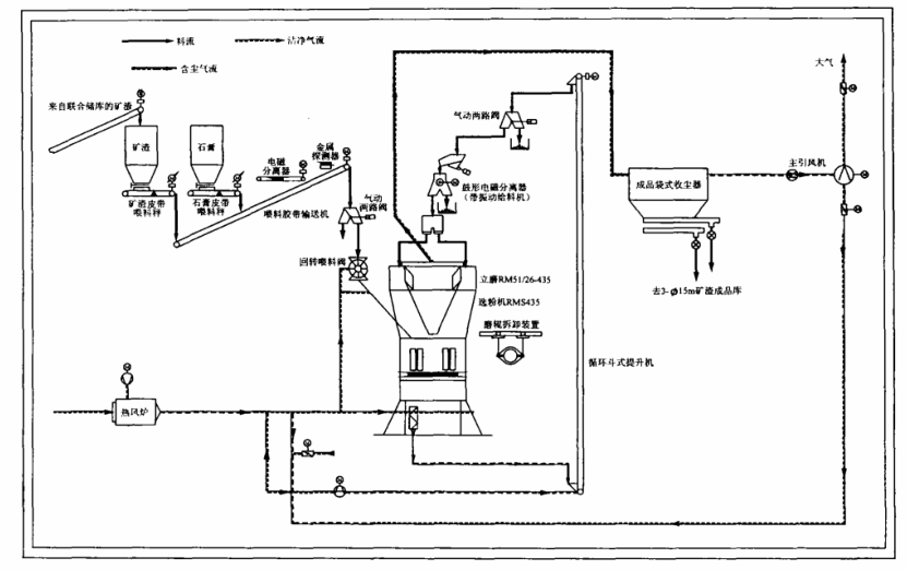
立磨磷渣粉工藝流程
立磨磷渣粉工藝流程:礦渣由火車或汽車運輸進廠卸至聯合儲庫內儲存;然后經抓斗、膠帶輸送機送入配料站的礦渣倉內儲存。礦渣倉底設有喂料秤。倉內的礦渣由皮帶喂料秤定量卸出,經膠帶輸送機送到立磨系統。為防止金屬塊進入磨內,入磨膠帶輸送機上設有電磁除鐵器和金屬探測器。由原料系統送來的礦渣經氣動翻板閥、鎖風喂料閥喂入立磨內烘干并粉磨。喂入磨機的物料被磨輥在旋轉的磨盤上所擠壓,在一定負荷下被粉碎,粉磨后的物料被熱風即上升承載空氣送入位于立磨上部的高效選粉機中分選成粗粉和細粉;細粉即成品由袋式收塵器收下,經斜槽、提升機等輸送設備送入成品系統;粗粉落在磨盤上再次粉磨,為了節能,一部分粗粉排出立磨經除鐵器、提升機、輸送機等設備送回立磨內再粉磨。廢氣經高效袋式收塵器除塵后由排風機經煙囪排入大氣,烘干熱源由燃氣熱風爐提供。合格的立磨磷渣粉經提升機、輸送機送入3座φ15X40m和1座φ8X25m礦渣粉庫內儲存。礦渣粉庫內設有開式充氣斜槽,充氣后,立磨磷渣粉可以通過庫底卸料設備、汽車散裝機送入散裝車中運輸出廠。
立磨磷渣粉,生產工藝成熟,產品質量穩定,符合磷渣粉磨技術要求,生產環節節能降耗。立磨磷渣粉摻加料分散性極好,能改善混凝土粉體顆粒表面的性能,產生流化效應和增強效應,即使砼水灰比小至0.2 6,坍落度仍能達到22cm以上,能同時達到高強、高流態和良好的流變性能,混泥土的后期強度高、抗裂和耐久性能好等,市場反應良好。如果您有立磨磷渣粉項目需求,歡迎給我們來電了解設備詳情,聯系電話:18878317066 蔣工。